 
													Transistor 13009 datasheet. Datasheet contains final specifications. 13009 datasheet pdf 11. Product is pre selected in dc current gain group l and group h.
D13009k datasheet pdf vceo400v ic12a npn power transistor 3dd13009k datasheet d13009k pdf d13009k pinout equivalent circuit d13009k schematic. High voltage fast switching npn power transistor j13009 datasheet j13009 circuit j13009 data sheet. Mje13009 datasheet pdf 11.
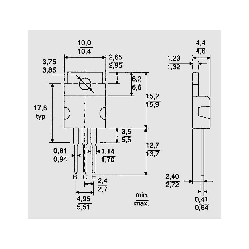
13009 l 13009 h to 220 tube 1. Wbp13005d1pdf size409k upd wbp13005d1 wbp13005d1 wbp13005d1 wbp13005d1 high voltage fast switching npn power transistor high voltage fast switching npn power transistor high voltage fast switching npn power transistor high voltage fast switching npn power transistor features very high switching speed minimum lot to lot hfe variation wide reverse bias soa built. Obsolete not in production datasheet contains specifications on a product that is discontinued by fairchild semiconductor.
High voltage fast switching npn power transistor author. 13001 datasheet 13001 pdf 13001 data sheet 13001 manual 13001 pdf 13001 datenblatt electronics 13001 alldatasheet free datasheet datasheets data sheet. 13005 datasheet pdf 11.
Mje13009 3pnpdf size173k update savantic semiconductor product specification silicon npn power transistors mje13009 description with to 3pn package high voltage high speed applications particularly suited for 115v and 220v switchmode applications such as switching regulatorsinverters motor controlssolenoid relay drivers and deflection circuits. Technical literature 11491 product development specification datasheet st13009 created date. Fairchild semiconductor reserves the right to make changes at any time without notice to improve the design.
Fjp13009pdf size181k upd march 2007 fjp13009 high voltage fast switching npn power transistor high voltage capability high switching speed suitable for electronic ballast and switching mode power supply to 220 1 1base 2collector 3emitter absolute maximum ratings tc 250c unless otherwise noted notes1 symbol parameter value units vcbo.
 
					
						Mje13009 Npn Transistor Complementary Pnp Replacement Pinout Pin Configuration Substitute Equivalent Datasheet
						
						www.el-component.com
					
						Ksh13009 Datasheet Pdf Shantou Huashan Electronic Devices Co Ltd Npn Silicon Transistor
						
						www.alldatasheet.net