Manual diagrama de fusibles ford f150 94. Diagrama de sensores ford fiesta. Diagrama de passenger compartment fuse panel los diagramas de fusibles del ford f 150 cambian con los anos selecciona el ano de tu vehiculo. Your fuse box or boxes will house many different fuses each one controlling one or a group of items similarly related.
El ford f 150 2001 tiene 2 cajas de fusibles distintas. Fuses are key to your trucks electrical system and to keeping everything that relies on electricity working properly. Alguien me podrian compartir el diagrama del sistema electrico de encendido de una ford f 150de antemano gracias.
This article applies to the ford f 150 2004 2014. El manual de servicio contiene en detalle todos los sistemas que componen en vehiculo asi como los procedimientos de montaje pruebas paso a paso para corregir cualquier problema. Necesito el diagrama de fusibles del manual del conductor.
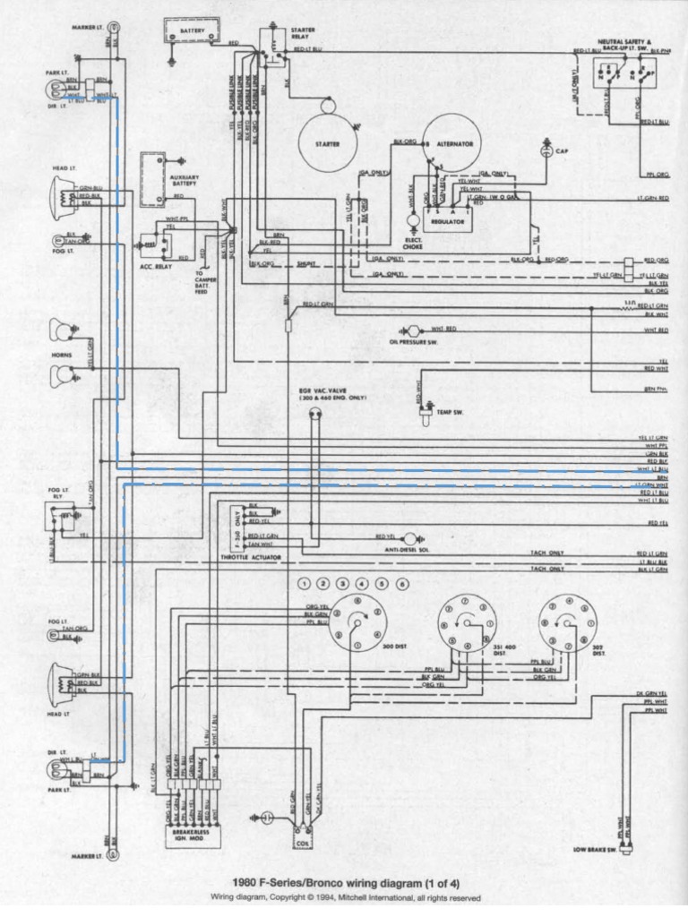
Diagram headlight switch wiring for 1993 f250 high 93 ford f 150 stereo gandum 1 espressotage de 1989 f150 light tosmun bd86 94 probe fuse box resources d287b 250 sel library mc 7352 schematic 90 e350 7 3 from tps needed the stop ranger starter untal ulakan kultur im revier gp 2010 radio 2005 na 8122 e4od wire read more. Esperamos que los diagramas listados a continuacion le sean de utilidad. Ford f 150 manual del usuariopdf ford f150 manual electrico.
198188 50l y 5. Diagrama de fusiblera del habitaculo. Diagrama de power distribution box.
De este tipo de herramienta. Ford 50l y 58l 198193 esquemas diagramas componentes sensores 198188 50l y 58l v8 fbc mcu. El club de diagramas es donde los tecnicos intercambian y comparten diagramas manuales de servicio y todo archivo de informacion tecnica util para las reparaciones electronicas.
Vea diagramas de fusibles interactivos de ford f 150. Diagrama de fusiblera del motor los diagramas de fusibles del ford f 150 cambian con los anos selecciona el ano de tu vehiculo. Diagrama de fusibles windstar 96docx windstar 96.
Diagrama de fusibles y reles ford f 150. El ford f 150 2015 tiene 2 cajas de fusibles distintas. Componentes y sensores ford 50l y 58l 198193 que es un.
F 150 ano 2000 diagramas de fusibles. Las cajas de fusibles cambian con los anos elija el ano de su vehiculo.
 
					
						2015 Ford F150 Fuse Box Diagram Manual Diagram Manual Transmissionsdiagrams Doctree In
						
						transmissionsdiagrams.doctree.in
					
 
					
						Parte 3 Caja De Fusible Y Reles 1996 1997 4 0l Ford Explorer Ford Explorer Ford Sistema De Audio
						
						www.pinterest.es